
PRODUCTS
产品中心
产品介绍
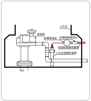
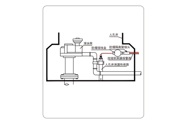
CSLS-1人孔井测漏传感器用于监测人孔井内是否有液体渗漏,并且可以区分渗漏液体是油还是水,设置两个液位报警点。测漏传感器还具有自检功能,可检查自身及线路的断路和短路情况发生。
产品功能
● 两点液位报警
● 水报警
● 油报警
● 断路报警
● 短路报警
● 可检测水上漂浮的碳氢化合物,并触发油报警
技术参数
● 温度:-40℃~60℃(油);0℃~60℃(无结冰水)
● 传感器连接线: 2m
● 规格:长610mm,直径55mm
● 水报警点:低位30mm,高位285mm
● 油报警点传感器全量程监测:4mm
● 水上油检测能力,油膜厚度: ≥1mm
● 传感器精度:≤2mm
● 防护等级:IP68
安装示意图

HOT PRODUCTS
关联产品
MESSAGE
产品留言